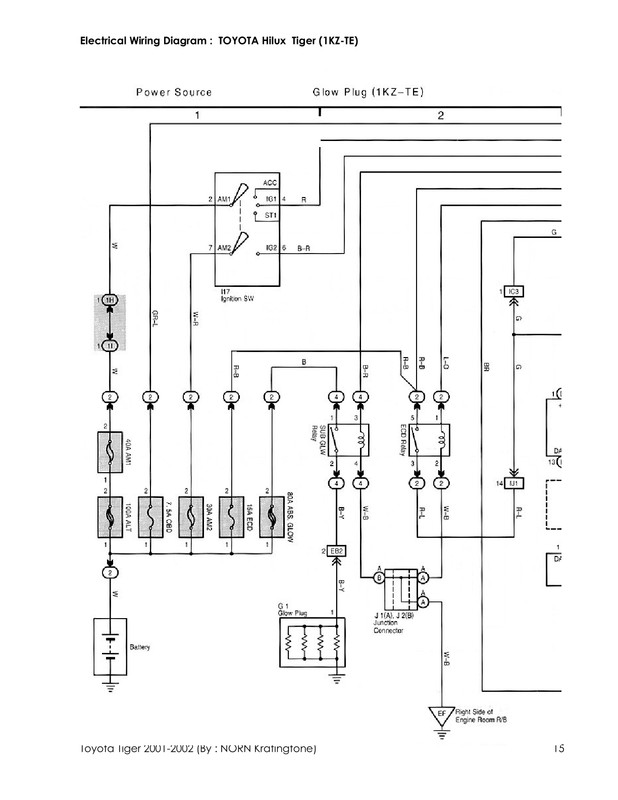
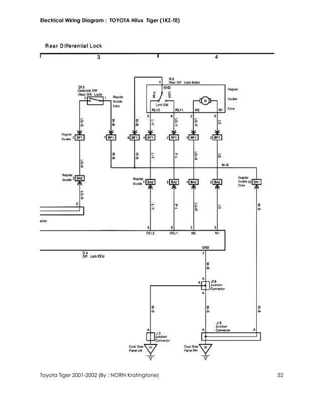
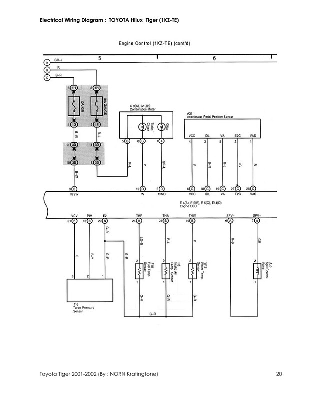
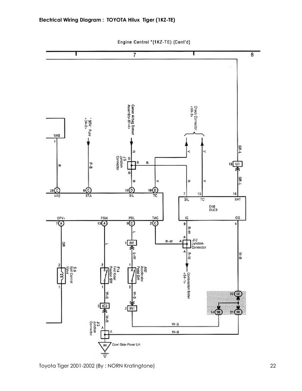
Toyota Tiger 1KZ 2001

เริ่มโดย Admin™, 10 ธันวาคม 2025

หัวข้อก่อนหน้า - หัวข้อถัดไป

0 สมาชิก และ 1 ผู้มาเยือน กำลังดูหัวข้อนี้

สวัสดีท่านสมาชิก ไม่ว่าจะเป็นไฟล์หรือข้อมูลในเวป ไม่ควรนำไปขายหรือหาประโยชน์เชิงพานิชนะครับ เวปแบ่งปันแจกจ่ายให้เพื่อศึกษาพัฒนาทักษะอาชีพเท่านั้น เราคิดว่าหลายๆท่านคงได้ประโยชน์จากเว็บนี้ไม่มากก็น้อย การแบ่งปันเป็นจุดประสงค์หลักของเวปนี้ ขอบคุณครับด้วยความเคารพ









































ลิ้งค์หัวข้อ: ขออภัย ผู้มาเยือน คุณไม่สามารถดูลิ้งค์ได้ กรุณา.. สมัครสมาชิก หรือ เข้าสู่ระบบ

 0 สมาชิก :

  • การดู 1,886 
  • คู่มือซ่อมรถยนต์และโปรแกรม แจกฟรี
  • 2 ตอบกลับ
ขออภัย คุณไม่สามารถดูลิ้งค์ได้ กรุณา.. สมัครสมาชิก หรือ เข้าสู่ระบบ

































ลิ้งค์หัวข้อ: ขออภัย ผู้มาเยือน คุณไม่สามารถดูลิ้งค์ได้ กรุณา.. สมัครสมาชิก หรือ เข้าสู่ระบบ

 0 สมาชิก :

ขออภัย คุณไม่สามารถดูลิ้งค์ได้ กรุณา.. สมัครสมาชิก หรือ เข้าสู่ระบบ

 ;jnh;




ลิ้งค์หัวข้อ: ขออภัย ผู้มาเยือน คุณไม่สามารถดูลิ้งค์ได้ กรุณา.. สมัครสมาชิก หรือ เข้าสู่ระบบ

 0 สมาชิก :