@banhunsa

การอุดระบบ EGR ในรถเครื่องยนต์ Desel

เริ่มโดย Admin™, 01 พฤษภาคม 2015

หัวข้อก่อนหน้า - หัวข้อถัดไป

0 สมาชิก และ 2 ผู้มาเยือน กำลังดูหัวข้อนี้

สวัสดีท่านสมาชิก ไม่ว่าจะเป็นไฟล์หรือข้อมูลในเวป ไม่ควรนำไปขายหรือหาประโยชน์เชิงพานิชนะครับ เวปแบ่งปันแจกจ่ายให้เพื่อศึกษาพัฒนาทักษะอาชีพเท่านั้น เราคิดว่าหลายๆท่านคงได้ประโยชน์จากเว็บนี้ไม่มากก็น้อย การแบ่งปันเป็นจุดประสงค์หลักของเวปนี้ ขอบคุณครับด้วยความเคารพ
การอุดระบบ EGR ในรถเครื่องยนต์ Desel



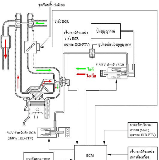
EGR คือท่อไอเสียที่นำพาไอเสียที่เผาไหม้แล้วกลับมาเผาไหม้ใหม่อีกครั้ง.



ระบบ EGR เป็นการนำไอเสียมาวนเข้าท่อไอดีใหม่อีกครั้ง เพื่อที่จะลดค่า NOX เพื่อให้ผ่านมาตรฐาน ยูโร 3 ซึ่งถ้าไม่ผ่านรถจะไม่สามารถนำออกมาขายได้
  ปัญหา คือ คนไทยใช้รถไม่เหมือนคนญี่ปุ่น ใช้ไม่ถึงกี่หมื่น Km หรือไม่เกินแสน Km ก็เปลี่ยนหรือทิ้งกันแล้ว แต่คนไทยส่วนใหญ่ใช้มือหนึ่งก็เกินไปเป็นแสน Km แล้วยังมีใช้ต่อเนื่อง มือสอง,สาม,สี่ อีก ไอเสียที่วนกลับเข้าไปไอดีนั้นมีเขม่า ซึ่งจะมาสะสมทำให้เครื่องโทรมในระยะยาว หัวฉีดตันเร็ว มีควันดำ และราคาค่าซ่อมหัวฉีดไม่ถูกอีกด้วย หลายคนคิดว่าจะตัดระบบนี้ บ้างก่ใช้ลูกปืน บ้างก่ดึงปลั๊กออก ซึ่งอาจทำให้ระบบรวนได้ (ไฟเตือนเครื่องโชว์) จนมีการคิดค้นแผ่นอุดขึ้นมาเพื่อตัดระบบ EGR แบบไม่ต้องยุ่งกับระบบสายไฟและการทำงานของกล่อง ECU ที่นี้ไอเสียก่จะวนเข้ามาเผาไหม้ได้ใหม่

  ผลดีที่ตามมาจากการอุด EGR : ไอเสียปล่อยออกปลายท่อหมด แล้วยังทำให้อากาศที่เข้าไปเผาใหม้บริสุทธิ์กว่าเดิม เป็นผลให้บู๊ตเทอร์โบมาไวขึ้น แรงบิดรอบต่ำดี เวลาเร่งไม่ต้องลากให้เปลืองน้ำมัน เขม่าสะสมน้อยลงหรือแทบไม่มี น้ำมันเครื่องดำช้าลง ลิ้นปีกผีเสื้อสกปรกช้าลงมากๆ และช่วยยืดอายุหัวฉีดอีกด้วย เพราะหัวฉีดดีเซลอยู่ในห้องเผาไหม้และรูเล็กมาก โดยเฉพาะเครื่องคอมมอลเรว โดนเขม่าพอกมากๆตันไวขึ้นแน่นอน

ผลเสียของของการอุด EGR : มีอยู่ข้อเดียวคือทำให้โลกร้อนขึ้น จากปริมาณไอเสียที่ปล่อยออกมามีมากขึ้นกว่าเดิม แต่เป็นเพือจำนวนเล็กน้อย (ตามทฤษฎี)

ภาพลิ้นไอดี ระยะ 100,000 Km โดยประมาณ ของรถที่ไม่ได้อุดEGR :




เนื้อหาโดยลึก : ผลเสียจากการอุด EGR ที่ว่าทำให้โลกร้อนขึ้นนั้น โดยลึกๆแล้วรถที่อุด EGR จะปล่อยไอเสียเยอะกว่ารถที่ไม่อุดแน่นอน แต่หลังจากนั้นรถที่ไม่อุด EGR จะปล่อยไอเสียออกมามากกว่ารถที่อุดเสียอีก เนื่องจากไอเสียไปอุดตันที่หัวฉีด ทำให้การเผาไหม้ไม่สมบูรณ์ รถปล่อยควันดำมากขึ้น ค่าไอเสียเยอะขึ้น  รถพังเร็วขึ้น ค่าบำรุงรักษามากขึ้น และเปลี่ยนรถใหม่เร็วกว่าที่ควร จะเป็นปัญหาค่าใช้จ่าย และปัญหาโลกร้อนเพิ่มขึ้นไปอีก...






ลิ้งค์หัวข้อ: ขออภัย ผู้มาเยือน คุณไม่สามารถดูลิ้งค์ได้ กรุณา.. สมัครสมาชิก หรือ เข้าสู่ระบบ

 1 สมาชิก :
Partouser1.gif
  • การดู 11,510 
  • global manual Free
  • 0 ตอบกลับ
ขออภัย คุณไม่สามารถดูลิ้งค์ได้ กรุณา.. สมัครสมาชิก หรือ เข้าสู่ระบบ